Navigation anzeigen/ausblenden
Zum Shop
Suchfeld anzeigen
Dialog User anmelden/registrieren anzeigen
Merklisten anzeigen
Merklisten anzeigen
Toggle main menu
Gesamtsortiment
>
Betonwaren
>
Bahnbau
Bahnbau
Filter zurücksetzen
Anwendungsbereich
Ausführung
Breite (cm)
Breite1 (cm)
Ø1 (cm)
Farbe
Höhe (cm)
Höhe1 (cm)
Länge (cm)
Marke
Oberfläche
Typ
Wandstärke (cm)
Länge1 (cm)
Länge2 (cm)
Höhe2 (cm)
Bodenstärke (cm)
Winkel (°)
Meistverkauft
3 Artikel
Perronwinkel Beton- und Gitterrostauftritte
Mehrere Varianten
8 Artikel
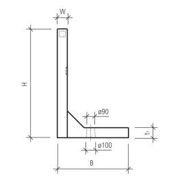
Perronwinkel
Mehrere Varianten
12 Artikel
Perronwinkel Eckelemente
Mehrere Varianten
15 Artikel
Perronwinkel Schrägstücke für Rampe
Mehrere Varianten
55 Artikel
Perronwinkel Aufsatzelemente
Mehrere Varianten