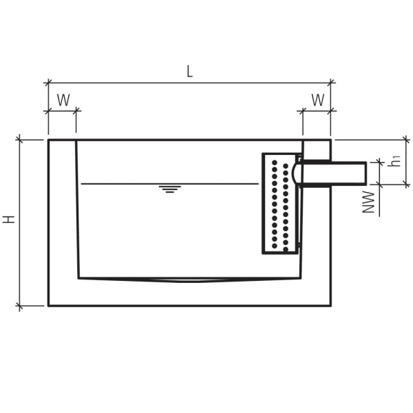
Die Schlammgrube ist ein Vorschlammfang mit einer durchlässigen Abdeckung, durch die das Abwasser der Reinigung von Fahrzeugen und Maschinen fliesst. Hier werden grobe organische Stoffe im Rechen und Feststoffe durch Absetzung zurückgehalten.
Der Unterhalt der Gesamtanlage durch den Einsatz eines Sauggerätes kann stark vermindert werden, da die Schlammgrube selbstständig z.B. mit einem Kleinbagger gereinigt und geleert werden kann. Die Schlammgrube SG wird vor ein Abscheidesystem für ölhaltige Abwasser gesetzt und dient als erste Grobscheidung bevor das Abwasser in den Schlammfang geleitet wird. Dadurch wird das nachgeschaltete Abscheidesystem entlastet und der reguläre Schlammfang kann eine Stufe kleiner dimensioniert werden.




