Effiziente Trennung von fetthaltigem Abwasser gemäss SN EN 1825.
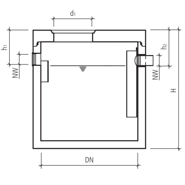
Der friwa®-fat Fettabscheider ist eine leistungsfähige Lösung für den Einsatz in gewerblichen Küchen, Schlachthöfen und Betrieben der Lebensmittelindustrie. Er sorgt für die zuverlässige Trennung von tierischen Fetten und pflanzlichen Ölen aus dem Schmutzwasser und schützt damit Rohrleitungen, Kanalisation und Umwelt nachhaltig.



