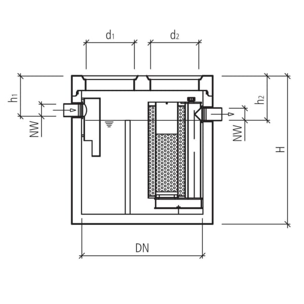
Mineralölabscheider mit Koaleszenzstufe und integriertem Schlammfang für mittleren Schlammanfall.
Kompaktanlagen sind Multifunktionsanlagen. Durch die Anordnung von Einbauteilen verschiedener Anlagen in einem Bauwerk übernehmen sie die Funktionen der einzelnen Anlagen. Kompaktanlagen werden vorwiegend bei kleineren Mengen von Schmutzwasseranfall und bei engen Platzverhältnissen bzw. kleinen Baugruben eingesetzt. Fachmännisch gewartet, erreicht die Kompaktanlage einen Wirkungsgrad bzw. eine Reinigungsleistung von 99,97 %, so dass der Kohlenwasserstoffgehalt beim Auslauf weniger als 5 mg/l beträgt, dies entspricht der Klasse I.



