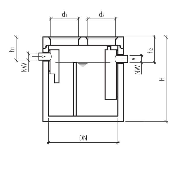
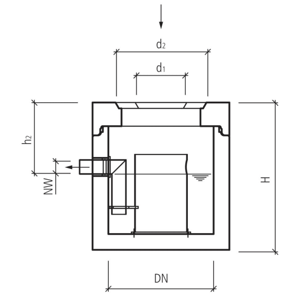
Mineralölabscheider mit integriertem Schlammfang für mittleren Schlammanfall.
Kompaktanlagen sind Multifunktionsanlagen. Durch die Anordnung von Einbauteilen verschiedener Anlagen in einem Bauwerk übernehmen sie die Funktionen der einzelnen Anlagen. Kompaktanlagen werden vorwiegend bei kleineren Mengen von Schmutzwasseranfall und bei engen Platzverhältnissen bzw. kleinen Baugruben eingesetzt. Unter optimalen Einsatzbedingungen erreicht die Kompaktanlage einen Wirkungsgrad bzw. eine Reinigungsleistung von 97 %, so dass der Kohlenwasserstoffgehalt beim Auslauf weniger als 100 mg/l beträgt, dies entspricht der Klasse II.





