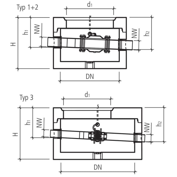
Umlenkschächte werden eingesetzt um Abwasser mit verschiedenen Belastungen zu trennen und dann unterschiedlichen Behandlungsanlagen zuzuführen.
Vor dem Umlenkschacht dürfen keine Ablagerungen stattfinden.
Der Umlenkschacht friwa®-fix ist für die Entwässerung von Waschräumen mit verschiedenen Waschsystemen konzipiert. Das geschlossene System wird mit Druckluft betrieben, welches einen zuverlässigen Betrieb gewährleistet.
Das System wird inklusiv Steuereinheit geliefert.



