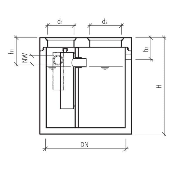
Mineralölabscheider mit integriertem Stapelbehälter. Der Einsatz erfolgt in Kombination mit einer Emulsionsspaltanlage.
Kompaktanlagen werden vorwiegend bei kleineren Mengen von Schmutzwasseranfall und bei engen Platzverhältnissen bzw. kleinen Baugruben eingesetzt. Unter optimalen Einsatzbedingungen erreicht die Kompaktanlage einen Wirkungsgrad bzw. eine Reinigungsleistung von 97 % so dass der Kohlenwasserstoffgehalt beim Auslauf weniger als 100 mg/l beträgt, dies entspricht der Klasse II.



