Der friwa®-sep Mineralölabscheider MA erzielt einen hohen Wirkungsgrad. Mineralische Leichtflüssigkeiten und Feststoffe werden konsequent vom Wasser getrennt und zurückgehalten.
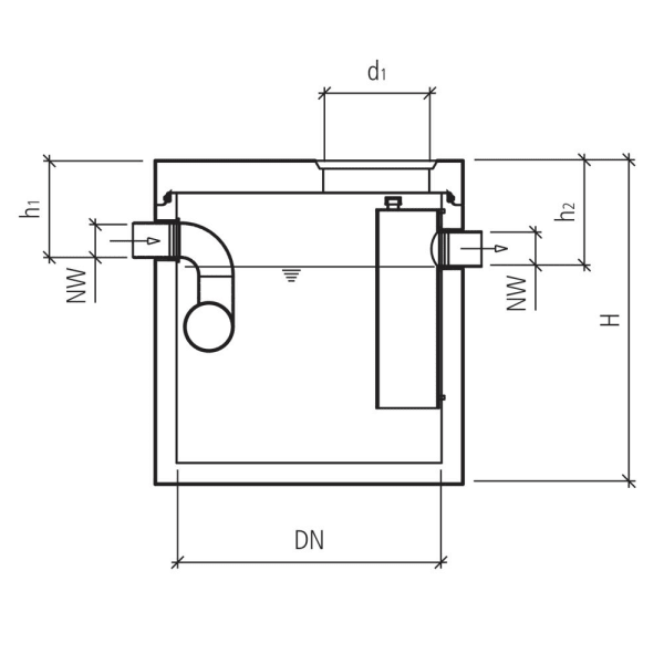
Wenn Wasser durch ungelöste, direkt abscheidbare, mineralische Leichtflüssigkeiten verschmutzt ist, leistet der friwa®-sep Mineralölabscheider MA zuverlässige Dienste. Die Betonbehälter sind mit geprüften Ein- und Auslaufschikanen ausgerüstet. Dadurch verringert sich die Fliessgeschwindigkeit des Abwassers. Dies schafft genügend Zeit, damit sich Öle und Feststoffe vom Wasser trennen.
Die Einsatzgebiete des friwa®-sep Mineralölabscheider MA sind:
- Garagen und Autowerkstätten
- Waschanlagen
- Abstellplätze
- Parkhäuser
- gewerbliche Betriebe



