Für den Einsatz bei Abstellplätzen, Tankstellen, Ölumschlagplätzen und Raffinerien wo die Gefahr besteht, dass bei einem Unfall grössere Mengen Öl ins Kanalnetz gelangen können.
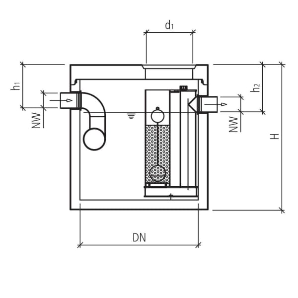
Die Funktion des Mineralölabscheiders MAS entspricht dem Typ MA. Die Auslaufschikane ist jedoch mit einem zusätzlichen selbsttätigen Abschluss ausgerüstet. Der Schwimmer des selbsttätigen Abschlusses ist so tariert, dass er im Wasser schwimmt und in Leichtflüssigkeiten untergeht. Die Distanz von Ventilkugel des Schwimmers zum Ventilsitz der Auslaufschikane entspricht der Höhe des Ölsammelraums. Bevor die Leichtflüssigkeit in die Kanalisation gelangen kann, wird der Ablauf durch den Schwimmer verschlossen. Unter optimalen Einsatzbedingungen erreicht der Mineralölabscheider einen Wirkungsgrad bzw. eine Reinigungsleistung von 97 %, sodass der Kohlenwasserstoffgehalt beim Auslauf weniger als 100 mg/l beträgt, dies entspricht der Klasse II. Die Aufenthaltszeit beträgt ca. 180 Sek.



