Baumat Logo
Zum Shop
Merklisten anzeigen
  1. Gesamtsortiment
  2. >
  3. Betonwaren
  4. >
  5. Strassenbau
  6. >
  7. Entwässerungsrinnen
  8. >
  9. BIRCO
  10. >
  11. BIRCOplus
1 / 2

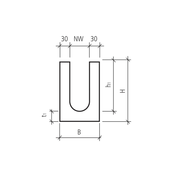
BIRCOplus Rinne NW 100 Typ 2 mit Gefälle B125 L 1000 B 163 H 170 - 175 mm

BIRCOplus ist aus hochwertigem Beton gefertigt, dennoch leicht zu transportieren und unkompliziert einzubauen. Der Oberflächenbelag kann bis zur Abdeckung verlegt werden, eine zusätzliche Betonummantelung der Entwässerungsrinne ist nicht notwendig. BIRCOplus: problemlos im Handling - sicher und zuverlässig in der Leistung.

Spezifikationen

  • Marke: Creabeton
  • Länge (mm): 1000
  • Höhe (mm): 170 / 175
  • Klasse: B125
  • Höhe1 (mm): 135 / 140
  • Anwendungsbereich: Strassenbau
  • Breite (mm): 163
  • Typ: FL
  • Bodenstärke (mm): 35
  • Gewicht (kg): 38.3

Fehler entdeckt? Wir freuen uns über Ihre Rückmeldung.

BIRCOplus Rinne NW 100 Typ 2 mit Gefälle B125 L 1000 B 163 H 170 - 175 mm
Artikelnr.
10100204
Bezeichnung
BIRCOplus Rinne NW 100 Typ 2 mit Gefälle B125 L 1000 B 163 H 170 - 175 mm
Preis pro
1 Stück
Brutto
Verfügbarkeit
Anzahl