Einsatz bei erhöhten Anforderungen an die Reinigungsleistung und wo die Gefahr besteht, dass bei einem Unfall grössere Mengen Öl ins Kanalnetz gelangen können.
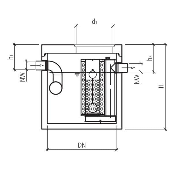
Beim Mineralölabscheider MAKS ist die Auslaufschikane so aufgebaut, dass die Funktion eines selbsttätigen Abschlusses und der Koaleszenzeffekt eintritt. Fachmännisch gewartet, erreicht der Mineralölabscheider einen Wirkungsgrad bzw. eine Reinigungsleistung von mehr als 99.97 %, sodass der Kohlenwasserstoffgehalt beim Auslauf weniger als 5 mg/l beträgt, dies entspricht der Klasse I. Die Aufenthaltszeit beträgt ca. 180 Sek.



